Genuine Mopar Engine Oil Pickup 4666028AA

$ 18.67

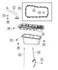
Year: 2007 2008 2009 2010 2011 Make: Jeep Product Name: Genuine Mopar Engine Oil Pickup 4666028AA Warranty: 1 Year Fitment Type: Direct Replacement Parts Included: ONLY PART REFERENCE #1 ON THE DIAGRAM IS INCLUDED SKU: 4666028AA Model: Wrangler Genuine OEM: Yes

Description

aaroncdjr Genuine Mopar Engine Oil Pickup 4666028AA Part can be found as # 1 in the diagram above Genuine Mopar Parts Specifications Brand Mopar Manufacturer Part Number 4666028AA SKU 4666028AA Product Genuine Mopar Engine Oil Pickup 4666028AA ONLY PART REFERENCE #1 ON THE DIAGRAM IS INCLUDED WARNING : May cause cancer and reproductive harm. See www.P65Warnings.ca.gov for more info. About Us Get to Know Aaron Chrysler Dodge Jeep Ram: Family is at the Heart of Everything We Do Buckle up because today we're taking a thrilling ride through the world of Aaron Chrysler Dodge Jeep Ram. Whether you're in the market for a powerful new vehicle, a reliable used car in Norco, or top-notch automotive services, Aaron CDJR is here to rev up your driving experience. We're more than just a dealership; we're your partner in automotive excitement and customer satisfaction near Norco. With a legacy rooted in a passion for top-quality vehicles and unparalleled customer service, the first Aaron dealership was started in 2020. Our dealership group has been growing and we've been catering to the needs of drivers throughout California. We're family-owned and named after the owner's son, our commitment to excellence and our deep understanding of the automotive industry continue to drive us forward, shaping us into the dynamic, customer-centric dealership we are today. Aaron Chrysler Dodge Jeep Ram in Norco first opened our doors in 2022 and we've been part of the community ever since. Exceptional Customer Service We are committed to providing amazing customer experiences. We keep you going Our Parts and Service Teams work hard toward ensuring your vehicle continues to drive at peak performance. Terms and Conditions Thank you for shopping with us. Please find our policies below. If you have any other questions, please don't hesitate to contact us. Shipping Terms If you are located in Alaska, Hawaii or Puerto Rico Please contact us via eBay email to discuss shipping cost In stock orders ship within 48 hours. Weekend orders will be processed the next business day. If a part is not in stock and must be ordered from the manufacturer, it usually takes 2-3 days to arrive to us and will be promptly shipped to you. Most of the orders are shipped complete within 2-3 business days. A few of the parts ordered from the manufacturer may take up to 5-6 business days to arrive and will shipped to you immediately. Depending upon location, ground shipments usually take 2-7 business days. Your order may be shipped Overnight for an additional cost. Oversized shipments will be additional; you will be contacted prior to shipping for approval. We cannot guarantee transit times for ground and oversize orders. Shipping Carrier substitutions may be made at our determination in an attempt to reduce shipping cost to the customer. We do not ship internationally. In the unlikely event that a part has been placed on backorder or discontinued, we will do our best to try and find one for you as quickly as possible. We do not ship COD orders. Return Policy Return requests need to be within 30 days of receipt. Returns are not accepted due to damage by the courier. A copy of the invoice will need to be included with the return. Parts must be resaleable and in the original packaging. We cannot take back used parts. We cannot take back installed or tried parts. Electrical parts are not returnable. We do reserve the right to refuse and return any parts we find have been installed, are used or do not meet the above criteria. Cancellation Policy An order or a portion of an order may be cancelled up until the time it is shipped and no longer in our possession. Home • Newsletter Signup • Contact Us Copyright © 2025 aaroncdjr , All rights reserved. Solution by RevolutionParts, Inc. :: Design by OCDesignsOnline